cs-CZ
Čeština
cart
Košík
menu

Bleskpojistka pro el. ohradníky

Kód: A68516
na dotaz
Termín a způsob doručení
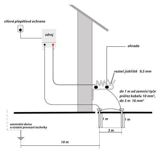
Bleskopojistka se doporučuje montovat u síťových zdrojů na přívodní kabel k ohradě. Částečně eliminuVíce
Vyberte si zvýhodněné balení
Množstevní slevy
257 
212.40  bez DPH
ks
envelope
Dotaz
bell
Hlídat
Parametry
Kód:
A68516
EAN:
kam33363
Záruka:
24
Stav:
Popis Bleskpojistka pro el. ohradníky

Bleskopojistka se doporučuje montovat u síťových zdrojů na přívodní kabel k ohradě. Částečně eliminuje přepětí na venkovních ohradách vznikající při bouřce. Zemnění bleskojistky je nutné provést drátem CY nebo CYA o průřezu minimálně 16 mm2. V případě přímého zásahu nemusí postačovat.

Naposledy navštívené produkty
BangBaronBikersmodeDenixDrag SpecialtiesEMGOGVR USA TechnicsHighway Hawk - BurchardKerblKMMKuryakynLS2MBWMonetaPPRELAXScippisStars and StripesTOPVET
phone
Zavolejte nám
chat
Nebo nám napište na
Přihlášení
Nemáte ještě účet?Zaregistrujte se.
Hlídání produktu
Zadejte podmínky a email, na který chcete poslat zprávu při splnění těchto podmínek